Οι λέβητες θερμού ύδατος της σειράς Β, είναι ολόσωμοι, χαλύβδινοι, αεριαυλωτοί λέβητες, που καλύπτουν περιοχές ισχύος απο 30.000 εως 875.000kcal/h
Εχουν υπολογισθεί και κατασκευαστεί, με βάση τα τελευταία δεδομένα της τεχνικής. Με την χρηση ειδικής διατάξεως στροβιλισμού των καυσαερίων, έχει αναπτυχθεί μεγάλος συντελεστής μεταδόσεως θερμότητας στους αεριαυλούς, με αποτέλεσμα, τον πολύ μικρό όγκο λέβητα και τον υψηλό συντελεστή αποδόσεως.
Τα υλικά που χρησιμοποιούνται για την κατασκευή των λεβήτων της σειράς B είναι άριστα: χαλυβδοελάσματα προδιαγραφής και αυλοσωλήνες MANESMANN. Εξωτερικά, οι λέβητες είναι μονωμένοι με υαλοβάμβακα και χαλύβδινα περιβλήματα, με ηλεκτροστατική βαφή. Απαραίτητα όργανα : θερμόμετρο εμβαπτίσεως και κατόπιν αιτήσεως σε μικρές μονάδες ηλεκτρικός πίνακας μετά οργάνων.

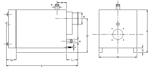
| Τυπος / Τype |
Διαστάσεις / Dimensions (mm) | Πίεση λειτουργίας /δοκιμής Operating/test pressure (bar) |
Χωρητικότητα / Capacity (lt) |
|||||||||
| A | B | L | L1 | L2 | A1 | E | Φ | Κ | Λ | |||
| B 30 | 550 | 450 | 880 | 200 | 180 | 100 | 482 | 125 | 1¼'' | 1'' | 4/5 | 40 |
| B 40 | 550 | 450 | 930 | 200 | 180 | 100 | 482 | 125 | 1¼'' | 1'' | 4/5 | 46 |
| B 50 | 680 | 580 | 1040 | 230 | 180 | 100 | 585 | 150 | 1½'' | 1'' | 4/5 | 82 |
| B 70 | 680 | 580 | 1160 | 230 | 180 | 100 | 585 | 150 | 1½'' | 1'' | 4/5 | 94 |
| B 100 | 800 | 700 | 1260 | 230 | 180 | 100 | 670 | 200 | 2'' | 1'' | 4/5 | 130 |
| B 125 | 800 | 700 | 1360 | 230 | 180 | 100 | 670 | 200 | 2'' | 1'' | 4/5 | 140 |
| B 150 | 900 | 800 | 1380 | 230 | 210 | 100 | 735 | 250 | 2½'' | 1'' | 4/5 | 236 |
| B 175 | 900 | 800 | 1440 | 230 | 210 | 100 | 735 | 250 | 2½'' | 1'' | 4/5 | 240 |
| B 200 | 900 | 800 | 1510 | 240 | 210 | 100 | 735 | 250 | 3'' | 1'' | 4/5 | 300 |
| B 250 | 900 | 800 | 1700 | 240 | 210 | 100 | 735 | 250 | 3'' | 1'' | 4/5 | 300 |
| B 325 | 900 | 800 | 1900 | 240 | 210 | 100 | 735 | 250 | 3'' | 1'' | 4/5 | 310 |
| B 400 | 1050 | 950 | 1950 | 240 | 210 | 100 | 850 | 250 | 4'' | 1'' | 4/5 | 570 |
| B 500 | 1050 | 950 | 2050 | 240 | 210 | 100 | 850 | 300 | 4'' | 1'' | 4/5 | 600 |
| B 625 | 1250 | 1150 | 2150 | 240 | 210 | 100 | 980 | 300 | 4'' | 1'' | 4/5 | 1000 |
| B 750 | 1250 | 1250 | 2050 | 240 | 210 | 100 | 1080 | 350 | 6'' | 1'' | 4/5 | 1150 |
| B 875 | 1250 | 1250 | 2250 | 240 | 210 | 100 | 1080 | 350 | 6'' | 1'' | 4/5 | 1300 |



